Product Summary
The LM2672M-3.3 is a simple switcher power converter high efficiency 1A step-down voltage regulator with features. It provides all the active functions for a step-down switching regulator, capable of driving a 1A load current with excellent line and load regulation. Its applications include simple high efficiency step-down regulator, efficient pre-regulator for linear regulators.
Parametrics
LM2672M-3.3 absolute maximum ratings: (1)Supply voltage: 45V; (2)switch voltage to ground: -1V; (3)human body model ESD susceptibility: 2kV; (4)storage temperature range: -65 to 150℃; (5)lead temperature: 215℃; (6)maximum junction temperature: 150℃.
Features
LM2672M-3.3 features: (1)simple and easy to design with; (2)guaranteed 1A output load current; (3)wide input voltage range: 8 to 40V; (4)requires only 5 external components; (5)adjustable version output voltage range: 1.21 to 37V.
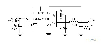
Diagrams

| Image | Part No | Mfg | Description | ![]() |
Pricing (USD) |
Quantity | ||||||||||||
|---|---|---|---|---|---|---|---|---|---|---|---|---|---|---|---|---|---|---|
![]() |
![]() LM2672M-3.3 |
![]() National Semiconductor (TI) |
![]() Switching Converters, Regulators & Controllers |
![]() Data Sheet |
![]()
|
|
||||||||||||
![]() |
![]() LM2672M-3.3/NOPB |
![]() National Semiconductor (TI) |
![]() Switching Converters, Regulators & Controllers HIGH EFF 1A STEP- DOWN VLTG REG |
![]() Data Sheet |
![]()
|
|
||||||||||||
(China (Mainland))







